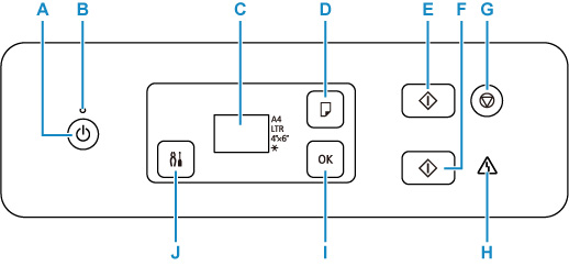
Panoul de operare

- A: Butonul ACTIVARE (ON)
-
Opreşte sau porneşte imprimanta. Înainte de a activa alimentarea, asiguraţi-vă că aţi închis capacul pentru documente.
- B: Lampa ACTIVARE (ON)
- Luminează după ce clipeşte la pornirea alimentării.
- C: LCD (Ecran cu cristale lichide)
-
Afișează numărul de copii, numărul de configurare, codul de eroare sau diverse pictograme.
- D: Butonul Selectare hârtie (Paper Select)
- Selectați dimensiunea hârtiei pentru imprimantă.
- E: Butonul Negru (Black)
- Începe copierea alb-negru etc.
- F: Butonul Culoare (Color)
- Începe copierea color etc.
- G: Butonul Oprire (Stop)
- Revocă operațiunea de imprimare sau copiere în curs.
- H: Lampa Alarmă (Alarm)
- Luminează sau clipeşte când survine o eroare.
- I: Butonul OK
- Finalizează selectarea elementelor. Se utilizează, de asemenea, pentru a rezolva erorile.
- J: Butonul Configurare (Setup)
- Selectați un meniu pentru a efectua întreținerea imprimantei și pentru a modifica setările acesteia.

